تستخدم وحدة الليزر ذات الطاقة العالية 1653.7 نانومتر بنية مستوية مع شريحة على الناقل الفرعي. العالي شريحة الطاقة محكمة الغلق في حزمة فراشة مكونة من 14 سنًا وخالية من الإيبوكسي وخالية من التدفق ومزودة بـ الثرمستور والمبرد الحراري والصمام الثنائي للشاشة لضمان أداء ليزر عالي الجودة. صمام ثنائي ليزر BTF بقدرة 1653 نانومتر بقدرة 40 ميجاوات للكشف عن غاز الميثان مؤهل لـ Telcordia GR-468، ويتوافق مع توجيهات RoHS.
تستخدم وحدة الليزر ذات الطاقة العالية 1653.7 نانومتر بنية مستوية مع شريحة على الناقل الفرعي. يتم إغلاق شريحة الطاقة العالية بإحكام في حزمة فراشة مكونة من 14 سنًا خالية من الإيبوكسي وخالية من التدفق ومزودة بثرمستور ومبرد كهروحراري وصمام ثنائي للمراقبة لضمان أداء ليزر عالي الجودة. منتجات الليزر الخاصة بنا مؤهلة لـ Telcordia GR-468، ومتوافقة مع توجيهات RoHS.
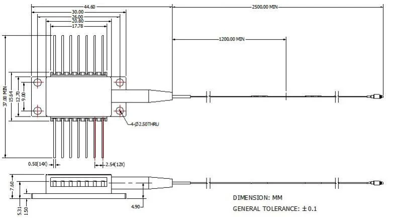
● حزمة الفراشة ذات 14 سنًا المتوافقة مع معايير الصناعة؛
● المدمج في TEC والعازل البصري.
● ليزر عالي الأداء ومتعدد الكم (MQW) وموزع التغذية المرتدة (DFB).
● اختبار إنتاج المكونات السلبية للكشف عن الغاز.
● نظام الكشف عن غاز الألياف.
● مصادر الليزر.
| المعلمة | رمز | حالة | دقيقة. | اكتب. | الأعلى. | وحدة |
| مركز الطول الموجي | إل سي | Tl = 15 ~ 35 ℃ qu | 1652.7 | 1653.7 | 1654.7 | نانومتر |
| طاقة الإخراج الضوئية | بعد | الأسلحة الكيميائية | - | 40 | - | ميغاواط |
| عتبة LD الحالية | إيث | الأسلحة الكيميائية | - | 15 | 40 | أماه |
| LD إلى الأمام الحالي | لو | الجبهة الوطنية = القوة المقدرة | - | 300 | 400 | أماه |
| العزلة البصرية | - | -10 |
30
|
-
|
-
|
ديسيبل |
|
| نسبة قمع الوضع الجانبي | سمسر | الأسلحة الكيميائية | 35 | 40 | - | ديسيبل |
| مراقبة الاستجابة | تلقيح | - | - | 1 | 20 | كان / ميغاواط |
| مراقبة استقرار الاستجابة | - | - | - | - | 20% | - |
| مراقبة التيار المظلم | بطاقة تعريف | فبد = 5 فولت | - | - | 50 | غير متوفر |
| المجلس التنفيذي الانتقالي الحالي | ITEC | Tcase = 75 درجة مئوية | - | - | 2 | A |
| المجلس التنفيذي الجهد | فتيك | Tcase = 75 درجة مئوية | - | - | 3.5 | V |
| استهلاك الطاقة TEC | P | Tstg = 25 درجة مئوية | - | - | 5 | W |
| مقاومة الثرمستور | ر.ث | Tcase = 75 درجة مئوية | 9.5 | 10 | 10.5 | كوم |
| الثرمستور ب ثابت | ب.ث | Tstg = 25 درجة مئوية | - | 3900 | - | K |
| انجراف الطول الموجي (EOL) | △ẫ | تم اختباره على مدى عمر 25 عامًا | - | - | ±0.1 | نانومتر |
| موجة. معامل درجة الحرارة | دل/دت | درجة حرارة TEC عند 15 درجة مئوية إلى 35 درجة مئوية | - | 0.09 | - | نانومتر/درجة مئوية |
| معامل الطول الموجي الحالي | دل/دي | - | - | 0.01 | - | نانومتر / بوصة |

تم اختبار جميع المنتجات قبل الشحن؛
تتمتع جميع المنتجات بضمان لمدة سنة واحدة. (بعد أن بدأت فترة ضمان الجودة في فرض رسوم خدمة الصيانة المناسبة.)
نحن نقدر عملك ونقدم سياسة إرجاع فورية لمدة 7 أيام. (7 أيام بعد استلام العناصر)؛
إذا كانت العناصر التي تشتريها من متجرنا ليست ذات جودة مثالية، أي أنها لا تعمل إلكترونيًا وفقًا لمواصفات الشركات المصنعة، فما عليك سوى إعادتها إلينا لاستبدالها أو استرداد ثمنها؛
إذا كانت العناصر معيبة، يرجى اعلامنا في غضون 3 أيام من التسليم؛
يجب إرجاع أي عناصر في حالتها الأصلية للتأهل لاسترداد الأموال أو الاستبدال؛
المشتري هو المسؤول عن جميع تكاليف الشحن المتكبدة.
س: ما هي دقة الطول الموجي؟
ج: +/- 0.5 نانومتر.
س: هل لديك إصدارات أخرى من طاقة الإخراج؟
ج: 10 ميجاوات، 15 ميجاوات، 50 ميجاوات.
C-band Narrow Linewidth Integrated Tunable Laser Assembly ITLA
1550nm 40mW 200 كيلو هرتز ضيق خطي ضيق DFB فراشة ليزر ديود
1550nm 40mW 600Khz DFB فراشة حزمة ضيق خطي ليزر ديود
1550nm 50mW 100Khz ضيق Linewidth DFB فراشة ليزر ديود
1550nm 2 ميجا واط 5 ميجا واط ضيق عرض الخط صمام ثنائي ليزر محوري
1550 نانومتر 100 ميجاوات 100 كيلو هرتز خط الضيق Linewidth DFB ليزر ديود BTF مع SM/PM الأليافحقوق الطبع والنشر @ 2020 شركة شنتشن بوكس أوبرونكس تكنولوجيا ، المحدودة - وحدات الألياف الصينية البصرية ، مصنعي الليزر المقترن بالألياف ، مكونات مكونات الليزر جميع الحقوق محفوظة.