1653nm 40mW DFB ليزر ديود لمستشعر الميثان CH4 يستخدم بناء مستو مع شريحة على الناقل الفرعي. يتم إغلاق شريحة الطاقة العالية بإحكام في حزمة فراشة مكونة من 14 سنًا خالية من الإيبوكسي وخالية من التدفق ومزودة بثرمستور ومبرد كهروحراري وصمام ثنائي للمراقبة لضمان أداء ليزر عالي الجودة. منتجات الليزر الخاصة بنا مؤهلة لـ Telcordia GR-468، ومتوافقة مع توجيهات RoHS.
1653nm 40mW DFB ليزر ديود لمستشعر الميثان CH4 يستخدم بناء مستو مع شريحة على الناقل الفرعي. يتم إغلاق شريحة الطاقة العالية بإحكام في حزمة فراشة مكونة من 14 سنًا خالية من الإيبوكسي وخالية من التدفق ومزودة بثرمستور ومبرد كهروحراري وصمام ثنائي للمراقبة لضمان أداء ليزر عالي الجودة. منتجات الليزر الخاصة بنا مؤهلة لـ Telcordia GR-468، ومتوافقة مع توجيهات RoHS.
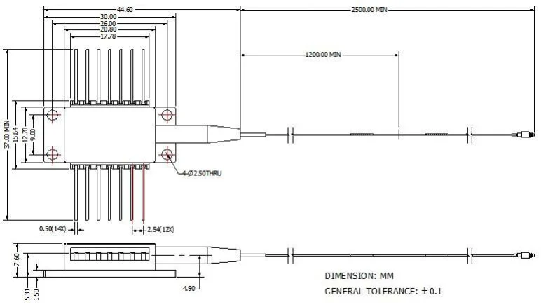
حزمة الفراشة ذات 14 سنًا المتوافقة مع معايير الصناعة؛
المدمج في TEC والمعزل البصري.
ليزر التغذية المرتدة الموزعة (DFB) عالي الأداء ومتعدد الكميات (MQW).
اختبار إنتاج المكونات السلبية للكشف عن الغاز؛
نظام الكشف عن غاز الألياف.
مصادر الليزر.
| المعلمة | رمز | حالة | دقيقة. | اكتب. | الأعلى. | وحدة |
| مركز الطول الموجي | lect ج | TL=15~35°CW | 1652.7 | 1653.7 | 1654.7 | نانومتر |
| طاقة الإخراج الضوئية | بو | الأسلحة الكيميائية | - | 40 | - | ميغاواط |
| عتبة LD الحالية | إيث | الأسلحة الكيميائية | - | 15 | 40 | أماه |
| LD إلى الأمام الحالي | لو | الجبهة الوطنية = القوة المقدرة | - | 300 | 400 | أماه |
| العزلة البصرية | - | -10 |
30
|
-
|
-
|
ديسيبل |
|
| نسبة قمع الوضع الجانبي | سمسر | الأسلحة الكيميائية | 35 | 40 | - | ديسيبل |
| مراقبة الاستجابة | ايم / الجبهة الوطنية | - | - | 1 | 20 | وا/ميغاواط |
| مراقبة استقرار الاستجابة | - | - | - | - | 20% | - |
| مراقبة التيار المظلم | بطاقة تعريف | فبد = 5 فولت | - | - | 50 | غير متوفر |
| المجلس التنفيذي الانتقالي الحالي | ITEC | Tcase = 75 درجة مئوية | - | - | 2 | A |
| المجلس التنفيذي الجهد | فتك | Tcase = 75 درجة مئوية | - | - | 3.5 | V |
| استهلاك الطاقة TEC | P | Tstg = 25 درجة مئوية | - | - | 5 | W |
| مقاومة الثرمستور | ر.ث | Tcase = 75 درجة مئوية | 9.5 | 10 | 10.5 | كوم |
| الثرمستور ب ثابت | ب.ث | Tstg = 25 درجة مئوية | - | 3900 | - | K |
| انجراف الطول الموجي (EOL) | △ẫ | تم اختباره على مدى عمر 25 عامًا | - | - | ±0.1 | نانومتر |
| موجة. معامل درجة الحرارة | Δω/ΔT | درجة حرارة TEC عند 15 درجة مئوية إلى 35 درجة مئوية | - | 0.09 | - | نانومتر/درجة مئوية |
| معامل الطول الموجي الحالي | ΔΙ/ΔΙ | - | - | 0.01 | - | نانومتر / مللي أمبير |

تم اختبار جميع المنتجات قبل الشحن؛
تتمتع جميع المنتجات بضمان لمدة 1-3 سنوات. (بعد أن بدأت فترة ضمان الجودة في فرض رسوم خدمة الصيانة المناسبة.)
نحن نقدر عملك ونقدم سياسة إرجاع فورية لمدة 7 أيام. (7 أيام بعد استلام العناصر)؛
إذا كانت العناصر التي تشتريها من متجرنا ليست ذات جودة مثالية، أي أنها لا تعمل إلكترونيًا وفقًا لمواصفات الشركات المصنعة، فما عليك سوى إعادتها إلينا لاستبدالها أو استرداد ثمنها؛
إذا كانت العناصر معيبة، يرجى إعلامنا في غضون 3 أيام من التسليم؛
يجب إرجاع أي عناصر في حالتها الأصلية للتأهل لاسترداد الأموال أو الاستبدال؛
المشتري هو المسؤول عن جميع تكاليف الشحن المتكبدة.
س: ما هي دقة الطول الموجي؟
ج: +/- 0.5 نانومتر.
س: هل لديك إصدارات أخرى من طاقة الإخراج؟
ج: 10 ميجاوات، 15 ميجاوات، 50 ميجاوات.
حقوق الطبع والنشر @ 2020 شركة Shenzhen Box Optronics Technology Co., Ltd. - وحدات الألياف البصرية الصينية، ومصنعي أجهزة الليزر المقترنة بالألياف، وموردي مكونات الليزر، جميع الحقوق محفوظة.